Adderall
Leona's Therapist

- Joined
- Jan 16, 2008
- Posts
- 1,954
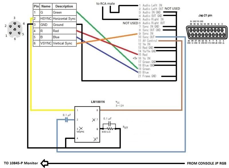
I picked up a commodore monitor for cheap. Almost free....
Problem is I don't know what connectors I should use. Obviously I should be using RGB but there are 2....or 3?
Here are my questions about it:
* Is there an RGB input behind the plastic part? Should I cut it out?
* IF there is.... will it be japan RGB or UK? I have cables for JP RGB
* Assuming I only have the DIN to work with, which one is the best? 6pin (labled lin) or 9 pin (labeled TTL)
* Is my xrgb2+ useless now that I have this?
Anything to get me started would help. I am reading these are great for old school systems and probably arcade stuff too! score!
Thanks!
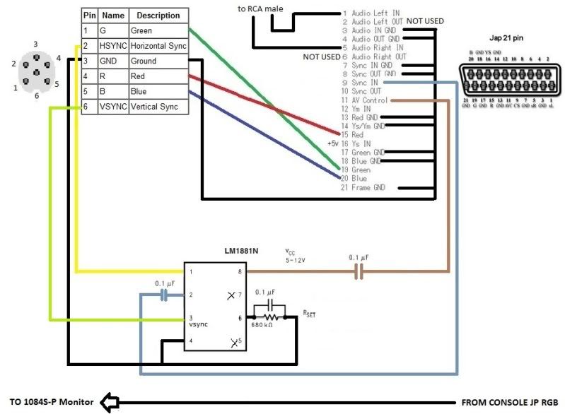
Problem is I don't know what connectors I should use. Obviously I should be using RGB but there are 2....or 3?
Here are my questions about it:
* Is there an RGB input behind the plastic part? Should I cut it out?
* IF there is.... will it be japan RGB or UK? I have cables for JP RGB
* Assuming I only have the DIN to work with, which one is the best? 6pin (labled lin) or 9 pin (labeled TTL)
* Is my xrgb2+ useless now that I have this?
Anything to get me started would help. I am reading these are great for old school systems and probably arcade stuff too! score!
Thanks!
Last edited: